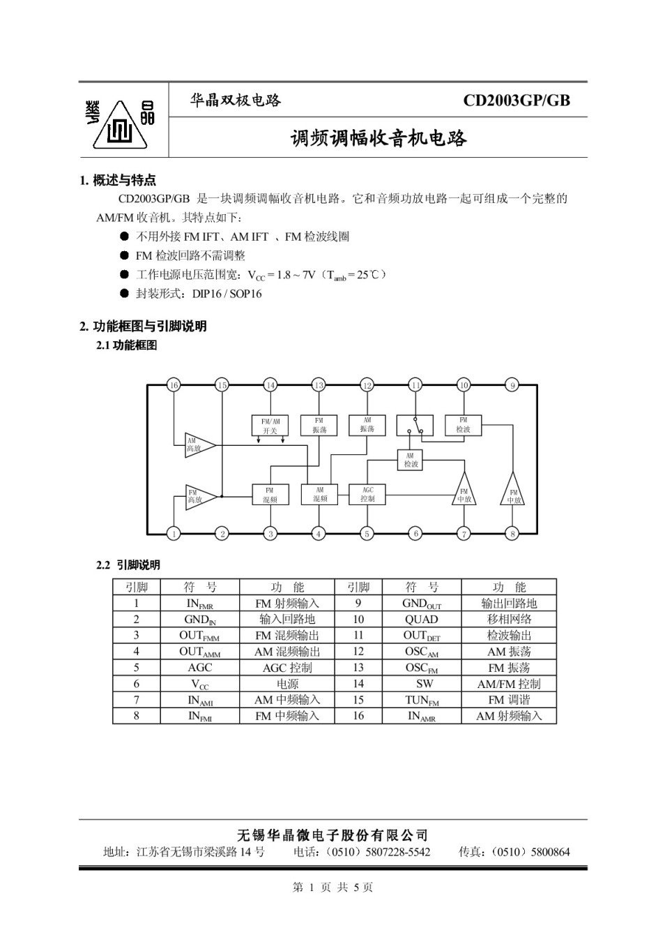
Интегрална схема CD2003

Price on request

В момента този продукт не е в наличност. След като завършите своята заявка, ще се свържем с вас за уточняване на начина и срока за доставка на избраната стока.

Secure payment via:

Payment on delivery Pay with Visa Pay with Mastercard Pay with bank transfer Pay with bank transfer

Delivery to anywhere in the world:

НА МЯСТО - МАГАЗИН МЛАДОСТ 4 Econt BG до АДРЕС DHL International Shipping Express SPEEDY BG до офис GREECE only EU Shipments - Geniki Taxydromiki International Shipping Economy КСП АВТОМАТ- Младост 4 (предплатени поръчки)
Status
On request
Condition
NEW / НОВ
Description
GOTO: KIA6040P, TA7640AP,
Product code
CD2003
Barcode
018994
Documents