Цена: 24,06 лв. (12,30 €) с ДДС

14-ДНЕВНО БЕЗПЛАТНО И ЛЕСНО ВРЪЩАНЕ

Ако получите днес, последният ден за връщане на този артикул ще бъде 10 януари

Сигурно плащане чрез:

Наложен платеж Pay with Visa Pay with Mastercard Pay with bank transfer Pay with bank transfer

Доставка до всяка точка на света:

Econt BG до АДРЕС DHL International Economy Shipping SPEEDY BG до офис ROMANIA only- EU Shipments - SAMEDAY Courier International Shipping Express КСП АВТОМАТ- Младост 4 (предплатени поръчки)
Статус
В наличност
Магазин: София, Младост 4
Налично количество
5+
Описание
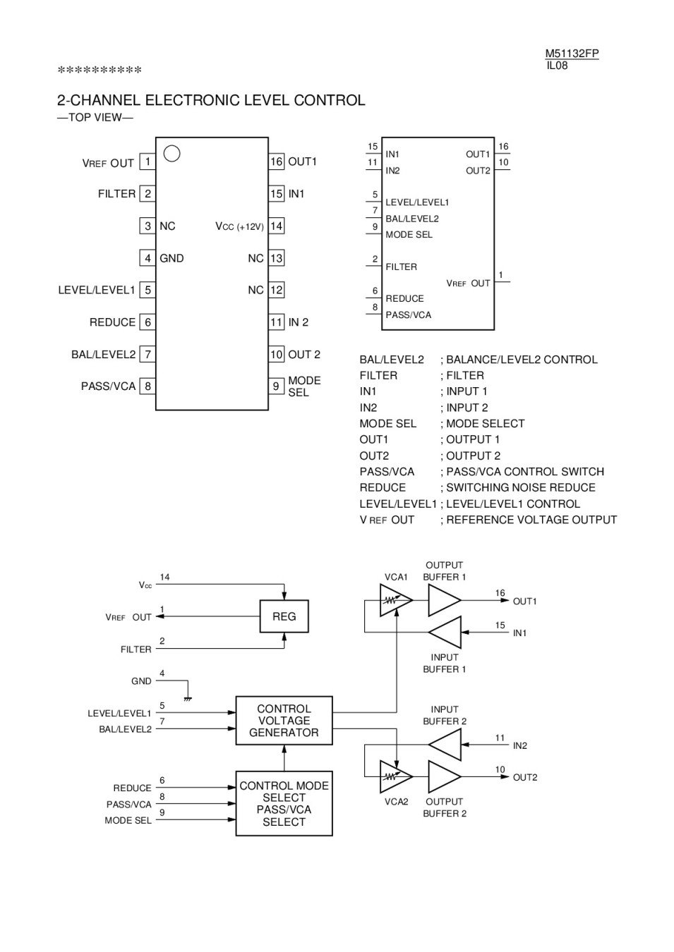
request electronics product image 2-channel electronic volume balance,550mW,Vcc-15.5V,40mA,20-MDIP,
Код на продукта
M51132FP
Баркод
0000114
Марка / Производител
MITSUBISHISUBISHI
Документи