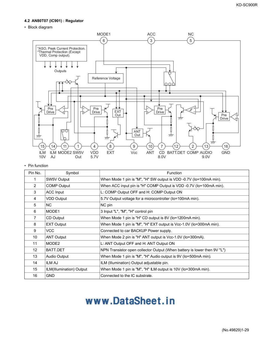
Интегрална схема AN80T07A

Цена: 1,86 € (3,64 лв.) с ДДС

14-ДНЕВНО БЕЗПЛАТНО И ЛЕСНО ВРЪЩАНЕ

Ако получите днес, последният ден за връщане на този артикул ще бъде 10 април

Сигурно плащане чрез:

Наложен платеж Pay with Visa Pay with Mastercard Pay with bank transfer Pay with bank transfer

Доставка до всяка точка на света:

НА МЯСТО - МАГАЗИН МЛАДОСТ 4 Econt BG до АДРЕС DHL International Shipping Express SPEEDY BG до офис GREECE only EU Shipments - Geniki Taxydromiki International Shipping Economy КСП АВТОМАТ- Младост 4 (предплатени поръчки)
Статус
В наличност
Магазин: София, Младост 4
Налично количество
50+
Състояние
NEW / НОВ
Описание
6xPos.V-Reg.+Backup Mode,,
Код на продукта
AN80T07A
Баркод
017516
Марка / Производител
MATSUSHITA
Документи